導讀:脫水蔬菜的干燥方法有熱風干燥、遠紅外干燥、微波干燥、冷凍真空干燥及膨化干燥等。 熱風干燥具有投資少、成本低、操作簡單、維修方便、經濟效益好等特點,應用非常普遍。
干燥是脫水蔬菜生產過程中重要的一個作業環節。新鮮蔬菜的含水量一般為70%-90%左右,烘干后蔬菜的含水量為6%-8%。脫水蔬菜的干燥方法有熱風干燥、遠紅外干燥、微波干燥、冷凍真空干燥及膨化干燥等。
熱風干燥具有投資少、成本低、操作簡單、維修方便、經濟效益好等特點,應用非常普遍。
熱風干燥根據風與物料的相對流動方向可分為平流(包括順流、逆流、混流等)干燥和穿流干燥兩種,土烘道、烘窯、翻板式干燥機等都是采用平流干燥工藝,熱風從物料層表面接觸,物料與熱風接觸面積小,熱交換不充分。雖然平流干燥設備單位體積的灘面積小,熱交換不充分。雖然平流干燥設備單位體積的灘面積大,但料層厚度小,干燥速度慢、時間長,因此限制了其生產率的提高。

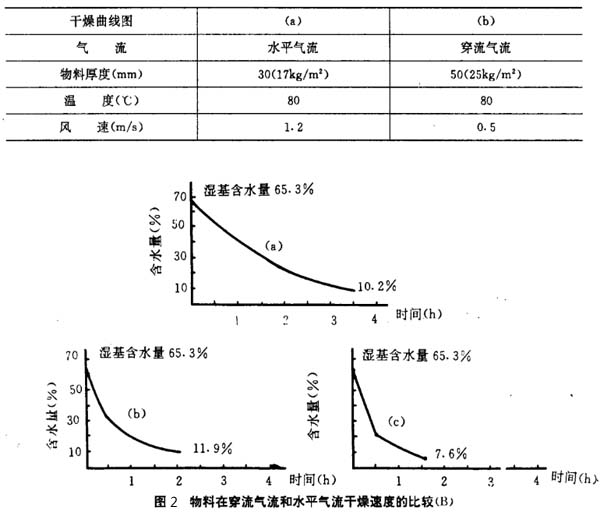
穿流干燥工藝,熱風由下向上穿過物料層或由上向下穿過物料層(分別稱為上循環或下循環),熱風與物料接觸面積大,熱交換充分。據文獻1介紹,通過對水平氣流和穿流氣流干燥時的干燥曲線(見圖2和圖3)的對比分析,可從圖中看出,穿流氣流干燥的效率比平流干燥高2-4倍。
穿流干燥料層厚度大、干燥時間短、速度快、生產效率高。多層和單層網帶式烘干機,均采用了穿流干燥工藝,是較理想的脫水蔬菜干燥設備。

遠紅外干燥和微波干燥
用遠紅外干燥和微波干燥技術生產脫水蔬菜,比熱風對流干燥的干燥速度快、產品質量好、易于實現自動控制,但電力消耗太大,在我國目前電力緊張的情況下,無條件大量采用。
膨化干燥和冷凍真空干燥
膨化干燥比熱風干燥提高生產效率一倍以上,且產品復水性很好,但又局限于部分品種。
冷凍真空干燥是將切制好的物料,在封閉的容器中快速冷凍,然后降低容器內的壓力,使速凍的物料處于真空狀態下,再加熱使物料內部的冰晶直接升華成水蒸氣排出,物料在低溫狀態下脫水干燥。干燥后產品的營養成分、色澤、味道、形狀等變化很小,產品質量較高。但冷凍真空干燥設備投資大、運行成本高,對于效益好、經濟價值高、要求嚴格、產量不大的物料進行干燥比較適用,如人參、枸杞、黃氏等。目前,國內在脫水蔬菜加工中,冷凍真空干燥應用較少。